一,IPV CHARACTERISTICS
| Typical characteristics IPV | |||||||
| Type,size - delivery | Displacement per revolution | Speed n | Delivery | Pressures | |||
| min. | max. | at 1500 min-1 | Continous pressure within the range nmin- nmax | Peak pressure within the range nmin- 1500 min-1 | Peak pressure within the range nmax | ||
| [cm3] | [min-1] | [min-1] | [l/min] | [bar] | [bar] | ||
| IPV 3-3.5 | 3.6 | 400 | 3600 | 5.4 | 330 | 345 | 345 |
| IPV 3-5 | 5.2 | 400 | 3600 | 7.8 | 330 | 345 | 345 |
| IPV 3-6.3 | 6.4 | 400 | 3600 | 9.6 | 330 | 345 | 345 |
| IPV 3-8 | 8.2 | 400 | 3600 | 12.3 | 330 | 345 | 345 |
| IPV 3-10 | 10.2 | 400 | 3600 | 15.3 | 330 | 345 | 345 |
| IPV 4-13 | 13.3 | 400 | 3600 | 19.9 | 330 | 345 | 345 |
| IPV 4-16 | 15.8 | 400 | 3400 | 23.7 | 330 | 345 | 345 |
| IPV 4-20 | 20.7 | 400 | 3200 | 31 | 330 | 345 | 345 |
| IPV 4-25 | 25.4 | 400 | 3000 | 38.1 | 300 | 330 | 330 |
| IPV 4-32 | 32.6 | 400 | 2800 | 48.9 | 250 | 280 | 280 |
| IPV 5-32 | 33.1 | 400 | 3000 | 49.6 | 315 | 345 | 315 |
| IPV 5-40 | 41 | 400 | 2800 | 61.5 | 315 | 345 | 315 |
| IPV 5-50 | 50.3 | 400 | 2500 | 75.4 | 280 | 315 | 280 |
| IPV 5-64 | 64.9 | 400 | 2200 | 97.3 | 230 | 250 | 250 |
| IPV 6-64 | 64.1 | 400 | 2600 | 96.1 | 300 | 330 | 300 |
| IPV 6-80 | 80.7 | 400 | 2400 | 121 | 280 | 315 | 280 |
| IPV 6-100 | 101.3 | 400 | 2100 | 151.9 | 250 | 300 | 270 |
| IPV 6-125 | 126.2 | 400 | 1800 | 189.3 | 210 | 250 | 250 |
| IPV 7-125 | 125.8 | 400 | 2200 | 188.7 | 300 | 330 | 300 |
| IPV 7-160 | 160.8 | 400 | 2000 | 241.2 | 280 | 315 | 280 |
| IPV 7-200 | 202.7 | 400 | 1800 | 304 | 250 | 300 | 270 |
| IPV 7-250 | 251.7 | 400 | 1800 | 377.5 | 210 | 250 | 250 |
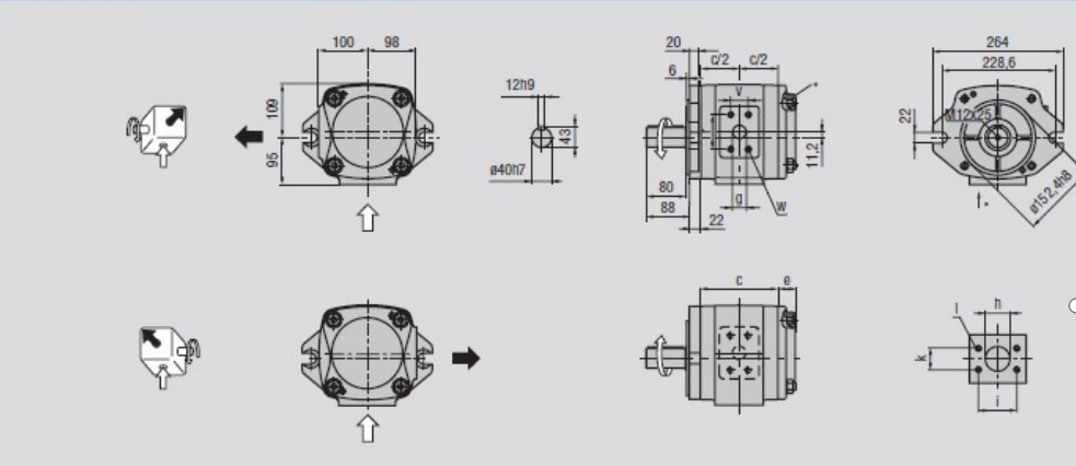
二,IPV 6 SERIES SIZE

MODEL | SIZE | ||||||||||
c | e | g | h | i | k | l | r | v | w | Weight | |
[mm] | [mm] | [mm] | [mm] | [mm] | [mm] | Thread | [mm] | [mm] | Thread | [Kg] | |
IPV 6-64 | 140 | 40 | 23 | 40 | 70 | 36 | M12x20 | 52.4 | 26.2 | M10x15 | 29.2 |
IPV 6-80 | 148 | 35 | 23 | 45 | 77.8 | 42.9 | M12x20 | 70 | 36 | M12x20 | 30.7 |
IPV 6-100 | 158 | 35 | 27 | 50 | 77.8 | 42.9 | M12x20 | 70 | 36 | M12x20 | 32.6 |
IPV 6-125 | 170 | 40 | 30 | 50 | 77.8 | 42.9 | M12x20 | 70 | 36 | M10x16 | 35.0 |
ch
English